| Application: | Three Phase Transducer |
|---|---|
| Output Type: | Triple |
| Principle of Work: | Vector Control Transducer |
GD200A Series General Open Loop Vector Inverter
Based on DSP control system, Goodrive200A inverters apply V/f vector control and various protections to control asynchronous motors. The air duct, hardware and software have been greatly improved for better environment adaptability, operation and reliable quality certificated by TÜV SÜD.



Power Range: 0.75kW~500kW (Three Phase 400V)
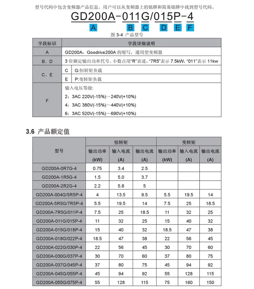
| Model Number | Output Power (kW) | Input Current (A) | Output Current (A) | Variable Torque (kW) | VT Output Current (A) |
|---|---|---|---|---|---|
| GD200A-0R7G-4 | 0.75 | 3.4 | 2.5 | - | - |
| GD200A-1R5G-4 | 1.5 | 5 | 3.7 | - | - |
| GD200A-2R2G-4 | 2.2 | 5.8 | 5 | - | - |
| GD200A-004G/5R5P-4 | 4 | 13.5 | 9.5 | 5.5 | 14 |
| GD200A-5R5G/7R5P-4 | 5.5 | 19.5 | 14 | 7.5 | 18.5 |
| GD200A-7R5G/011P-4 | 7.5 | 25 | 18.5 | 11 | 25 |
| GD200A-011G/015P-4 | 11 | 32 | 25 | 15 | 32 |
| GD200A-015G/018P-4 | 15 | 40 | 32 | 18.5 | 38 |
| GD200A-055G/075P-4 | 55 | 128 | 115 | 75 | 150 |






We are a professional electric and electronic automation supplier exporting and giving technical support of PLC, HMI, Inverter, Servo motor drive, circuit breaker, sensor, limit switch and Pneumatic components products.
Our company provides customers with one-stop supply services with tens of thousands of product inventory. Our products are low priced with longer warranty period. We provide technical support and develop alternative products for our customers to save costs while ensuring product quality and performance.
Sriram Electricals