1 / 5
| Still deciding? Get samples of $ ! US$ 90/Piece Request Sample |
| Model NO. | D32 series | Principle of Work | V/F, Vector, Pid, PLC |
| Switch Mode | High Carrier Frequency PWM Control | Main Circuit Type | Voltage |
| Voltage of Power Supply | Low / Midium / High Voltage VFD | Power Range | 0.4kw ~1000kw |
| Control Type | Close Loop Vector Control, V/F Control, Open Loop | Certification | CE SGS TUV 3c |
The D32 series VFD is a new generation of high-performance inverter, designed to meet the application needs of users. It features rich functions, excellent stable performance, and a simple, novel structure. Adopting advanced speed sensorless vector control technology, motor parameter identification, and online estimation technology, it significantly improves speed regulation range, dynamic response, and low-frequency torque.
| ITEM | Description |
|---|---|
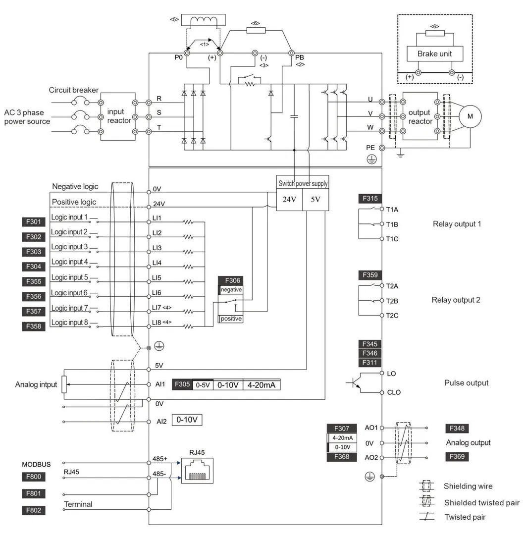
| Control technology | Adopts dual CPUs and advanced technology to separate drive and control signals. |
| Energy Saving | Unique energy-saving mode can save more than 35% energy in fan applications. |
| Anti-voltage Jitter | Continues operation at low frequency during power failure for up to 2.35 seconds. |
| Circuit Board Protection | Full automatic protective coating (at least twice) for every board. |
| Load Test | 24-hour aging test with load including overload, overvoltage, and overcurrent tests. |
| Output Frequency | 0.5Hz to 400Hz |
| Overload Capacity | 150% for 60s, 200% for 2s. |
Our research and development team is engaged in the production, sales, and service of high-performance inverters. We serve industrial equipment manufacturers by providing practical products and individually tailored solutions for specific industries.


| Power Range | Return Period | Exchange Period | Warranty |
|---|---|---|---|
| 0.4KW - 37KW | One Month | 3 Months | 18 Months |
| Above 37KW | Nonsupport | Nonsupport | 18 Months |
Sriram Electricals